村田晶振,陶瓷晶振,CSTCC-G晶振,CSTCC2M00G56-R0晶振
频率:2M~3.99MHZ
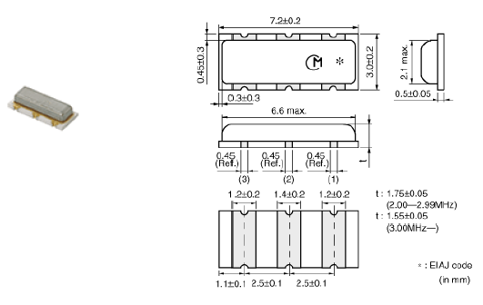
尺寸:7.2x2.1mm
村田公司是一家使用性能优异电子原料,设计、制造最先进的陶瓷晶振,陶瓷晶体谐振器,陶瓷滤波器电子元器件及多功能高密度模块的企业.不仅是手机、家电,汽车相关的应用、能源管理系统、医疗保健器材等,都有村田公司的身影.
村田自1973年在中国香港成立第一家销售公司起,至今村田晶振在中国已拥有19个销售据点、4个工厂以及4个研发设计基地,近距离为客户提供及时有效的服务和技术支持.村田中国以满足客户的要求作为企业经营的最优先课题,全体员工同心协力完成工作.
村田晶振,陶瓷晶振,CSTCC-G晶振,CSTCC2M00G56-R0晶振,三脚贴片陶瓷晶振是指晶振内部本身有自带负载电容的陶瓷些振器, “压电陶瓷”, 与CR,LC电路不同,陶瓷振荡子利用的是机械谐振而不是像压电石英晶体一样电谐振的方式起振.
1.振荡电路不需外部负载电容器.对应不同IC,有不同的内制电容 (除ZTT三脚系列).
2.该系列产品可在很宽温度范围内保持稳定.
3.该陶瓷晶振尺寸小,重量轻,并具有卓越的抗振性能.
4.利用它们可实现免调整振荡器电路的设计.
5.该系列价格适中且货源稳定.
|
产品类别 |
陶瓷谐振器(CERALOCK®) |
|
系列 |
CSTCC_G |
|
频率 |
2.0MHz的 |
|
频率容差 |
最多+/-0.50% |
|
工作温度范围 |
-20℃至80℃ |
|
温度变化 |
最大+/-0.40% |
|
频率老化 |
最多+/-0.30% |
|
共振阻抗(R1) |
最大80欧姆 |
|
内置负载电容(CL1/CL2) |
47pF的 |
|
形状 |
SMD |
|
洗 |
无法使用 |
|
长x宽(大小) |
7.2x3.0mm |
所有生产的陶瓷晶振均经过严格宽温度范围内和长期老化试验,确保客户在使用过程中保持稳定. 该中频陶瓷谐振器系列由固定,调谐,固态器件组成,该陶瓷振荡子尺寸小,重量轻,具有卓越的抗振性能.为了该陶瓷振荡子系列产品在电路中使用稳定,康华尔电子产品均严格做过各项验证,在线路中适合各款型IC可构成免调整振荡电路.村田晶振,陶瓷晶振,CSTCC-G晶振,CSTCC2M00G56-R0晶振
深圳市康华尔电子有限公司
- QQ联系
- 632862232
- 服务热线
- 138-2330-0879
- 电话
- 86-0755-27838351
- 邮 箱
- konuaer@163.com
- 传 真
- +86-0755-27883106
- 公司地址
- 广东深圳市宝安宝安大道东95号浙商银行大厦1905
采购:村田晶振,陶瓷晶振,CSTCC-G晶振,CSTCC2M00G56-R0晶振
- *联系人:
- *手机:
- 公司名称:
- 邮箱:
- *采购意向:
-
*验证码:
TXC晶振
晶振厂家
有源晶振
日产晶振
台产晶体
32.768K
贴片晶振
进口晶振
- CTS晶振
- 日蚀晶振
- Cardinal晶振
- MtronPTI晶振
- ACT晶振
- IQD晶振
- Bliley晶振
- PETERMANN晶振
- 微晶晶振
- 拉隆晶振
- Crystek晶振
- QANTEK晶振
- MTI-Milliren晶振
- Microchip晶振
- GED晶振
- FCD-Tech晶振
- 瑞康晶振
- 格林雷晶振
- Euroquartz晶振
- QuartzCom晶振
- LiHom晶振
- Silicon晶振
- Filtronetics晶振
- HEC晶振
- 康纳温菲尔德
- SiTimeCrystal
- FOX晶振
- QuartzChnik晶振
- Rubyquartz晶振
- Fortiming晶振
- STD晶振
- FMI晶振
- 高利奇晶振
- IDTcrystal晶振
- Frequency晶振
- SUNTSU晶振
- Oscilent晶振
- CORE晶振
- Q-Tech晶振
- Macrobizes晶振
- Jauch晶振
- Pletronics晶振
- GEYER晶振
- Transko晶振
- SHINSUNG晶振
- NIPPON晶振
- Anderson晶振
- AXTAL晶振
- AbraconCrystal
- Statek晶振
- ILSI晶振
- WI2WI晶振
- ITTI晶振
- NIC晶振
- Wenzel晶振
- 维管晶振
- KVG晶振
- 韩国三呢晶振
- PDI晶振
- QVS晶振
- NEL晶振
- ECScrystal晶振
- AEL晶振
- MMDCOMP晶振
- ARGO晶振
- C-TECH晶振
- Bomar晶振
- EM晶振
- Skyworks晶振
- Renesas瑞萨晶振
- Dynamic迪拉尼
应用领域
车载晶振
差分晶振
电话:0755-27838351
手机:138-2330-0879
QQ:632862232
地址:广东深圳市宝安区宝安大道东95号浙商银行大厦1905














